快速订购

中文

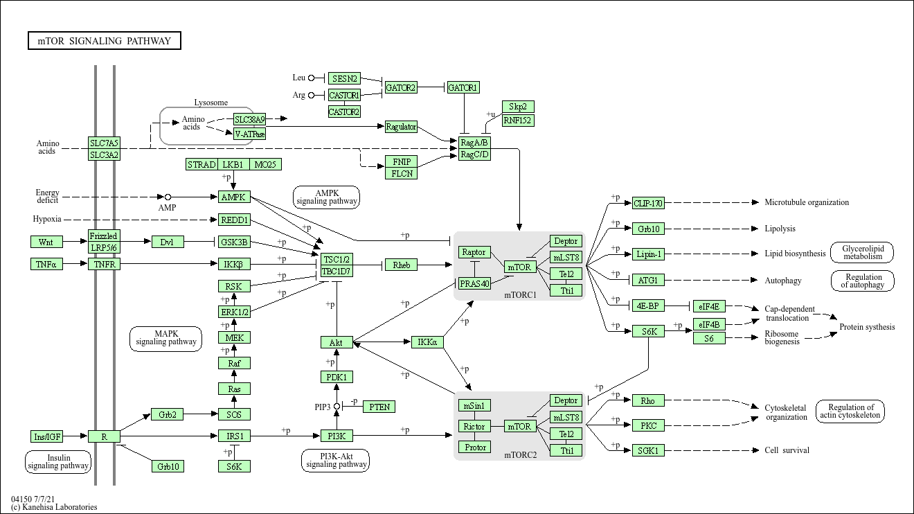
mTOR signaling pathway - mTOR信号通路

感知营养、生长因子、能量及应激信号的核心通路,分为 mTORC1 与 mTORC2 两个功能复合物。mTORC1 由 mTOR、raptor、mLST8 组成,受营养(氨基酸)、生长因子(胰岛素)调控,通过磷酸化 4E-BP1 与 S6K1 促进蛋白质合成,同时抑制自噬;mTORC2 由 mTOR、rictor、mLST8 组成,参与 Akt 磷酸化激活,调控细胞存活与细胞骨架重排。核心功能是协调细胞生长、增殖与代谢,在细胞稳态维持中起关键作用。通路异常激活常见于多种肿瘤(如结直肠癌、乳腺癌)、糖尿病、肥胖症,雷帕霉素及其衍生物是经典的 mTOR 抑制剂,已用于肿瘤治疗与器官移植免疫抑制。
核心功能:感知营养与生长信号,调控细胞生长、增殖、代谢及自噬,是细胞稳态核心调控通路。 关键调控分子:mTORC1/2、PI3K、Akt、AMPK、Rheb、4E-BP1、S6K1。

51384 (WNT16), 54361 (WNT4), 7471 (WNT1), 7472 (WNT2), 7473 (WNT3), 7474 (WNT5A), 7475 (WNT6), 7476 (WNT7A), 7477 (WNT7B), 7478 (WNT8A), 7479 (WNT8B), 7480 (WNT10B), 7481 (WNT11), 7482 (WNT2B), 7483 (WNT9A), 7484 (WNT9B), 80326 (WNT10A), 81029 (WNT5B), 89780 (WNT3A)7124 (TNF)3479 (IGF1), 3630 (INS)3480 (IGF1R), 3643 (INSR)7132 (TNFRSF1A)4040 (LRP6), 4041 (LRP5)11211 (FZD10), 2535 (FZD2), 7855 (FZD5), 7976 (FZD3), 8321 (FZD1), 8322 (FZD4), 8323 (FZD6), 8324 (FZD7), 8325 (FZD8), 8326 (FZD9)6520 (SLC3A2)8140 (SLC7A5)1855 (DVL1), 1856 (DVL2), 1857 (DVL3)2885 (GRB2)2887 (GRB10)153129 (SLC38A9)101927180 (ATP6V1FP2), 127124 (ATP6V1G3), 245973 (ATP6V1C2), 51382 (ATP6V1D), 51606 (ATP6V1H), 523 (ATP6V1A), 525 (ATP6V1B1), 526 (ATP6V1B2), 528 (ATP6V1C1), 529 (ATP6V1E1), 534 (ATP6V1G2), 90423 (ATP6V1E2), 9296 (ATP6V1F), 9550 (ATP6V1G1)55437 (STRADB), 92335 (STRADA)6794 (STK11)51719 (CAB39), 81617 (CAB39L)5562 (PRKAA1), 5563 (PRKAA2)54541 (DDIT4)2932 (GSK3B)3551 (IKBKB)27330 (RPS6KA6), 6195 (RPS6KA1), 6196 (RPS6KA2), 6197 (RPS6KA3)5594 (MAPK1), 5595 (MAPK3)5604 (MAP2K1), 5605 (MAP2K2)5894 (RAF1), 673 (BRAF)3265 (HRAS), 3845 (KRAS), 4893 (NRAS)6654 (SOS1), 6655 (SOS2)3667 (IRS1)6198 (RPS6KB1), 6199 (RPS6KB2)83667 (SESN2)652968 (CASTOR1)729438 (CASTOR2)54468 (MIOS), 6396 (SEC13), 79726 (WDR59), 81929 (SEH1L), 84219 (WDR24)10641 (NPRL2), 8131 (NPRL3), 9681 (DEPDC5)10542 (LAMTOR5), 28956 (LAMTOR2), 389541 (LAMTOR4), 55004 (LAMTOR1), 8649 (LAMTOR3)57600 (FNIP2), 96459 (FNIP1)201163 (FLCN)10325 (RRAGB), 10670 (RRAGA)58528 (RRAGD), 64121 (RRAGC)6502 (SKP2)220441 (RNF152)7248 (TSC1), 7249 (TSC2)107080638, 51256 (TBC1D7)6009 (RHEB)57521 (RPTOR)84335 (AKT1S1)2475 (MTOR)64798 (DEPTOR)64223 (MLST8)9894 (TELO2)9675 (TTI1)10000 (AKT3), 207 (AKT1), 208 (AKT2)1147 (CHUK)5170 (PDPK1)5728 (PTEN)110117499 (P3R3URF-PIK3R3), 5290 (PIK3CA), 5291 (PIK3CB), 5293 (PIK3CD), 5295 (PIK3R1), 5296 (PIK3R2), 8503 (PIK3R3)79109 (MAPKAP1)253260 (RICTOR)55615 (PRR5), 79899 (PRR5L)2475 (MTOR)64798 (DEPTOR)64223 (MLST8)9894 (TELO2)9675 (TTI1)6249 (CLIP1)2887 (GRB10)23175 (LPIN1), 64900 (LPIN3), 9663 (LPIN2)8408 (ULK1), 9706 (ULK2)1978 (EIF4EBP1)1977 (EIF4E), 253314 (EIF4E1B), 9470 (EIF4E2)6198 (RPS6KB1), 6199 (RPS6KB2)1975 (EIF4B)6194 (RPS6)387 (RHOA)5578 (PRKCA), 5579 (PRKCB), 5582 (PRKCG)6446 (SGK1)


产品列表

    货号
    产品名称
    反应性
    应用
  • {{item.title}}
    {{item.react}}
    {{item.applicat}}

Related Promotional Journal Downloads

Brand/Complete Product Range Series
Brand/Complete Product Range Series

Detailed introduction of the column

Download and Save
Primary antibodies
Primary antibodies

Detailed introduction of the column

Download and Save
Secondary antibodies
Secondary antibodies

Detailed introduction of the column

Download and Save
mIHC/ Multiplex Fluorescence Detection Kits
mIHC/ Multiplex Fluorescence Detection Kits

Detailed introduction of the column

Download and Save

热门产品推荐

更多产品

30000 + 优质产品矩阵,云端一站式尊享供应

一抗、二抗、mIHC试剂盒、ELISA试剂盒、蛋白、分子生物学产品、细胞培养相关产品、辅助试剂...

联系我们