快速订购

中文

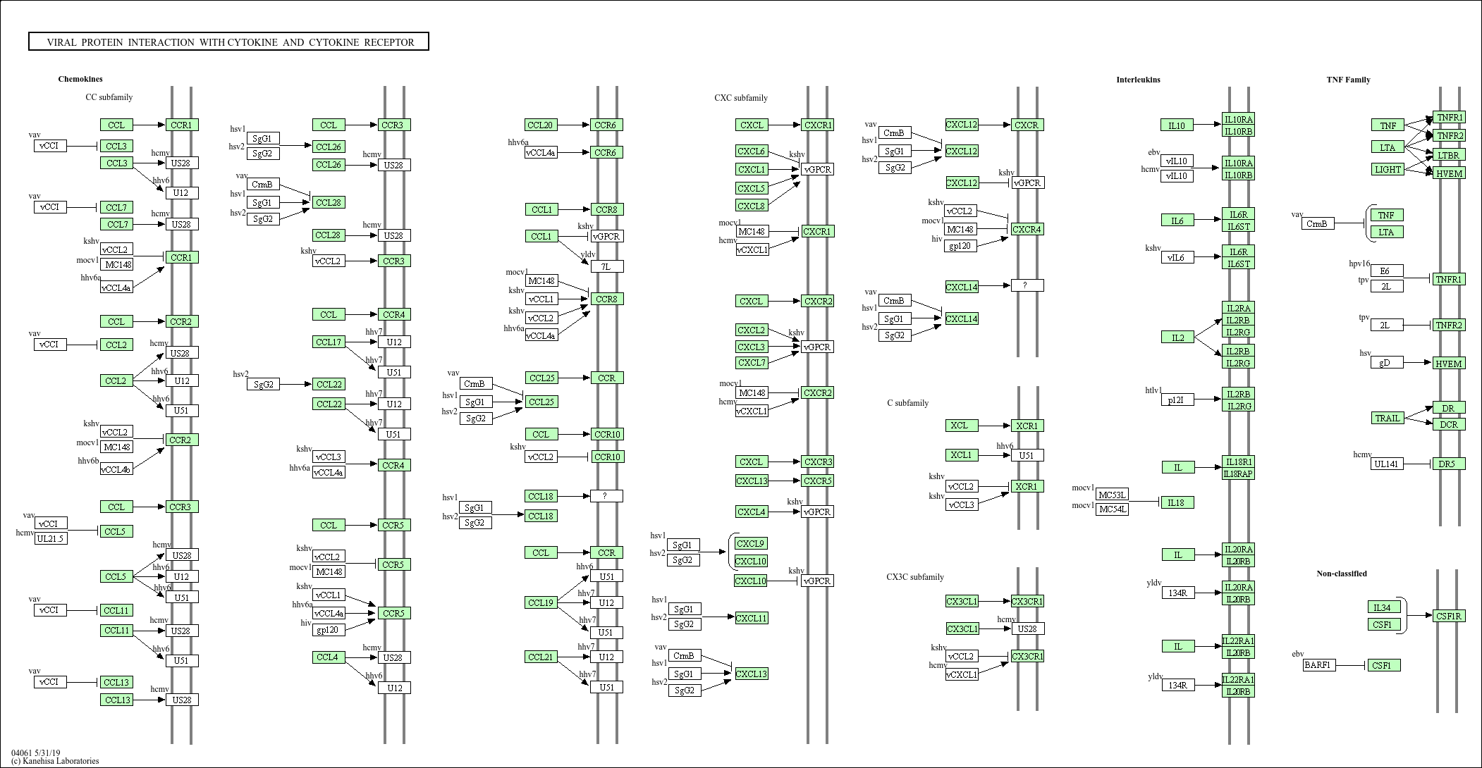
Viral protein interaction with cytokine and cytokine receptor - 病毒蛋白与细胞因子及受体相互作用

病毒逃逸宿主免疫防御的重要分子机制,病毒通过编码特定蛋白(如细胞因子模拟物、细胞因子受体结合蛋白、信号通路抑制蛋白),干扰宿主细胞因子介导的免疫信号传递。常见机制包括:病毒蛋白竞争性结合细胞因子受体(如疱疹病毒编码的 IL-10 同源物,抑制宿主抗病毒细胞因子功能);降解宿主细胞因子或受体(如乙肝病毒 HBx 蛋白降解 IFN 受体);抑制下游信号通路激活(如流感病毒 NS1 蛋白抑制 JAK-STAT 通路);模拟细胞因子功能,调控宿主免疫细胞活性。核心目的是抑制宿主抗病毒免疫应答(如 IFN 介导的抗病毒反应),创造有利于病毒复制与扩散的微环境,是病毒持续感染、致病的重要原因,也是抗病毒药物研发的潜在靶点(如阻断病毒蛋白与细胞因子 / 受体的相互作用)。
核心功能:病毒通过编码蛋白与细胞因子或其受体相互作用,干扰宿主免疫信号传递,实现免疫逃逸。 关键调控分子:病毒免疫调节蛋白(如 E1B、NS1)、宿主细胞因子(IL-2、IFN 等)、细胞因子受体。

产品列表

    货号
    产品名称
    反应性
    应用
  • {{item.title}}
    {{item.react}}
    {{item.applicat}}

Related Promotional Journal Downloads

Brand/Complete Product Range Series
Brand/Complete Product Range Series

Detailed introduction of the column

Download and Save
Primary antibodies
Primary antibodies

Detailed introduction of the column

Download and Save
Secondary antibodies
Secondary antibodies

Detailed introduction of the column

Download and Save
mIHC/ Multiplex Fluorescence Detection Kits
mIHC/ Multiplex Fluorescence Detection Kits

Detailed introduction of the column

Download and Save

热门产品推荐

更多产品

30000 + 优质产品矩阵,云端一站式尊享供应

一抗、二抗、mIHC试剂盒、ELISA试剂盒、蛋白、分子生物学产品、细胞培养相关产品、辅助试剂...

联系我们